Product Summary
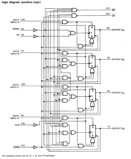
The SN74193N is a synchrounous reversible counter. It is designed to be cascaded without the need for external circuitry. The SN74193N can be easily cascaded by feeding the borrow and carry outputs to the count-down and count-up inputs respectively o the succeeding counter.
Parametrics
SN74193N absolute maxium ratings: (1)supply voltage, VCC: 7V; (2)input voltage: 5.5V; (3)operating free-air temperature range: -55 to 125℃; (4)storage temperature range: -65 to 150℃.
Features
SN74193N features: (1)cascading circuitry provided internally; (2)synchronous operation; (3)individual preset to each flip-flop; (4)fully independent clear input.
Diagrams

|  |  SN7400 |  Other |  |  Data Sheet |  Negotiable |  | ||||||||||||
|  |  SN7400D |  Texas Instruments |  Gates (AND / NAND / OR / NOR) Quad 2-input Positive-NAND gates |  Data Sheet |  
 |  | ||||||||||||
|  |  SN7400DE4 |  Texas Instruments |  Gates (AND / NAND / OR / NOR) Quad 2-input Positive-NAND gates |  Data Sheet |  
 |  | ||||||||||||
|  |  SN7400DG4 |  Texas Instruments |  Gates (AND / NAND / OR / NOR) Quad 2-input Pos- NAND |  Data Sheet |  
 |  | ||||||||||||
|  |  SN7400DR |  |  IC QUAD 2IN POS-NAND GATE 14SOIC |  Data Sheet |  Negotiable |  | ||||||||||||
|  |  SN7400DRE4 |  |  IC QUAD 2IN POS-NAND GATE 14SOIC |  Data Sheet |  Negotiable |  | ||||||||||||
 (China (Mainland))
 (China (Mainland)) 
                         
                        
 
                                    




